×
Skip to content

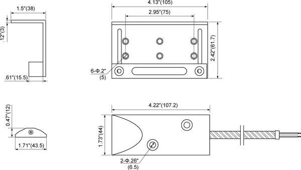
Contact Size: 4.22″L×1.73″W×.47″H (107.2mm×44mm×12mm)

Standard Magnet Size: 4.13″L×2.42″W×1.5″H (105mm×61.7mm×38mm)

Standard Gap: 2″(50mm)

Colors: Aluminum Case
18″(458mm) Armored Leads
36″(915mm) Armored Leads Available

Part NumberGap
Inch (mm)
Loop
Open/Closed
Reed
Form
Max. Contact
Rating (W)
Max. Initial Contact
Resistance (mΩ)
Max. Switching
Voltage (V)
Max. Switching
Current (A)
MET-44 WG2″(50)CLOSEDNormally
Open
10100AC110/DC1000.5
MET-45 WG1.93″(49)OPENNormally
Closed
3100AC30/DC300.2
MET-46 WG1.93″(49)SPDTSPDT3100AC30/DC300.2
MET-46 WG-WP181.93″(49)SPDTSPDT3100AC30/DC300.2

OPERATING TEMPERATURE:-40°C to +60°C

Please Contact Zankap